Masina selectată

FIAT CROMA (154) 2000 i.e. (154.AD)
Ani fabricaţie
1987-1992
Cilindree
1995 CMC
Cai putere
120
KW
88
Combustibil
benzina
Coduri motor
834 B.000
154 C3.000
154 C3.000
Caută o maşină
Autentificare

Detalii piesă
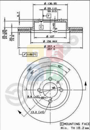
Cod articol
2497812
Tip articol
Disc frana
Producător
AP
Preţ
Din pacate, pretul pentru acest produs nu este disponibil pe site.
Lasă-ne datele tale de contact si in cel mai scurt timp iti vom trimite o oferta de pret pentru acest produs.
Caracteristici
pentru numar articol
09.4768.10
Tip disc frâna
ventilat interior
Diametru [mm]
257
Grosime disc frâna [mm]
20
Grosime minima [mm]
18,2
Înaltime [mm]
51,7
Diametru de centrare [mm]
59
Numar gauri
4
Moment strangere [Nm]
10
Articol extins/Info extins 2
cu suruburi