Masina selectată

ALFA ROMEO SPIDER (939) 3.2 JTS
Ani fabricaţie
2008-prezent
Cilindree
3195 CMC
Cai putere
260
KW
191
Combustibil
benzina
Cod motor
939 A.000
Caută o maşină
Autentificare
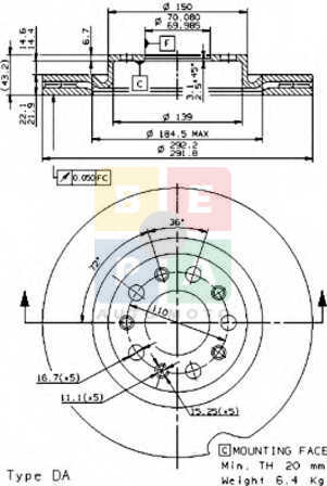
Detalii piesă
Cod articol
1565255
Tip articol
Disc frana
Producător
BREMBO
Preţ
165.11 RON
TVA inclus
TVA inclus
Caracteristici
pentru numar articol
09.9366.20
Tip disc frâna
ventilat interior
Diametru [mm]
292
Grosime disc frâna [mm]
22
Grosime minima [mm]
20
Înaltime [mm]
43,2
Diametru de centrare [mm]
70
Numar gauri
5