Masina selectată

ALFA ROMEO SPIDER (939) 3.2 JTS
Ani fabricaţie
2008-prezent
Cilindree
3195 CMC
Cai putere
260
KW
191
Combustibil
benzina
Cod motor
939 A.000
Caută o maşină
Autentificare
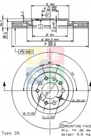
Detalii piesă
Cod articol
1565253
Tip articol
Disc frana
Producător
BREMBO
Preţ
Din pacate, pretul pentru acest produs nu este disponibil pe site.
Lasă-ne datele tale de contact si in cel mai scurt timp iti vom trimite o oferta de pret pentru acest produs.
Caracteristici
pentru numar articol
09.9365.20
Tip disc frâna
ventilat interior
Diametru [mm]
330
Grosime disc frâna [mm]
28
Grosime minima [mm]
26
Înaltime [mm]
39,7
Diametru de centrare [mm]
70
Numar gauri
5