Masina selectată

DAIHATSU CUORE VIII 1.0
Ani fabricaţie
2007-prezent
Cilindree
998 CMC
Cai putere
70
KW
51
Combustibil
benzina
Cod motor
1KR-FE
Caută o maşină
Autentificare
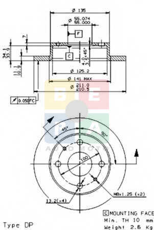
Detalii piesă
Cod articol
1564349
Tip articol
Disc frana
Producător
BREMBO
Preţ
Din pacate, pretul pentru acest produs nu este disponibil pe site.
Lasă-ne datele tale de contact si in cel mai scurt timp iti vom trimite o oferta de pret pentru acest produs.
Caracteristici
pentru numar articol
08.9138.10
Tip disc frâna
plin
Diametru [mm]
211
Grosime disc frâna [mm]
11
Grosime minima [mm]
10
Înaltime [mm]
41
Diametru de centrare [mm]
55
Numar gauri
4